鋳鉄材料 スリーブ材比較
こんにちわ、HTKスリーブ屋の榎本です
陽気もあたたかく、寸法管理もしやすい季節になりました
さてと、本日はライナースリーブ材です
とあるところ、隣国製品を入手いたしまして、色々と調べてみました
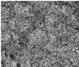
こんな感じで加工してもらって、顕微鏡写真撮ってもらいました
A社
B社
同じ規格の鋳鉄材ですが、だいぶ違いますよね
ともに倍率を上げてみますと
A社
B社
あまり細かいことはかけませんが、、、
成分分析の数字を合わせてみると、、、
白い組織、はリン結晶ではないかと思われます
硬いですがもろい組織です なので、耐久性(耐摩耗性)が低い素材です
正直、目視で材料の良しあしってわかりませんよね
ここまでしないと分かりません
でも、多数の色々なサンプルを見比べていると、色々と共通点もありますので、その辺は今までの経験値で判断するしかありませんが、ま、これもまた勉強です
ちなみに、国産材の顕微鏡写真サンプルはこんな感じです
組織が均一、安定しているのが一番ですが、素材メーカー各社、技術革新して特許とっています
そんな国産材、安心してつかえますね





